GH卧式中型减速电机

中型减速电机GH卧式100W

中型减速电机GH卧式100W

所属分类:GH卧式中型减速电机   浏览次数:0

  中型减速电机GH卧式100W:高耐用度、齿轮采用高强度合金钢、外壳采用高、强度压铸铝合金、具有轻质、耐用的特点、高效率、比传统锥齿轮及涡轮蜗杆减速机在相同速比时传动效率更高、高输入转数、低噪音:设计精巧,精密制造。

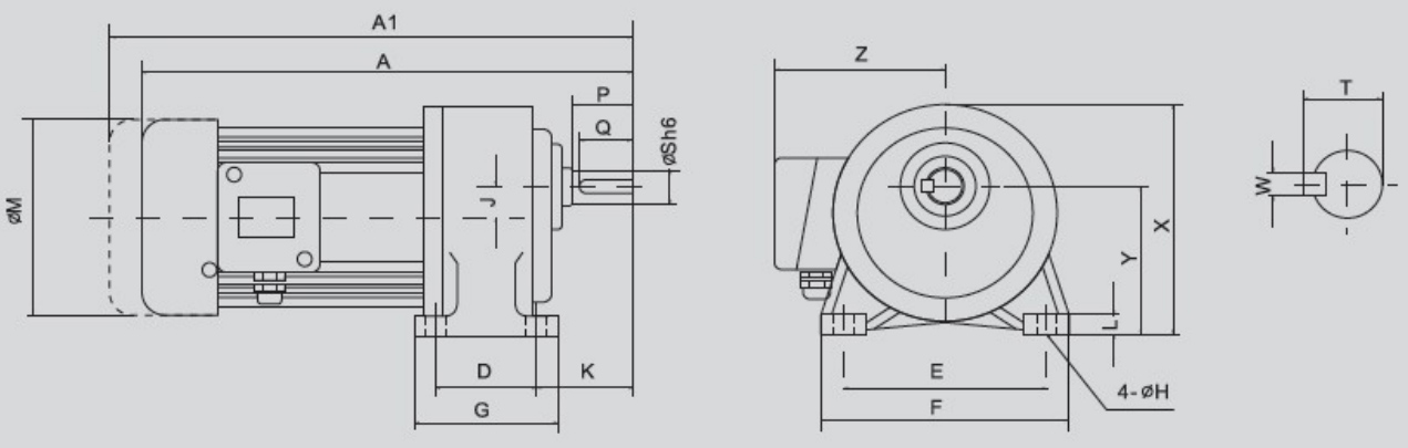
  尺寸图:

尺寸图

  尺寸表:

尺寸表

推荐新闻

版权所有 © 2026 东莞市永传电机制造有限公司

备案号: 粤ICP备19008204号

技术支持: 华商网络